Seite 2 von 3
Re: Probleme beim Umbau HILFE BENÖTIGT
Verfasst: 4. Jan 2014, 08:35
von kompressormichel
Was evtl. noch sein kann ,
ist das du den Stecker vom Drosselklappenschalter
mit dem des Kurbelwellensensors vertauscht hast.
Passiert auch öffters

.
Mach mal ein Bild wo die jeweiligen Kupplungen aus dem Kabelbaum kommen.
Gruß Michael
Re: Probleme beim Umbau HILFE BENÖTIGT
Verfasst: 4. Jan 2014, 09:45
von Schneefuchs
Kann man doch auch anhand der Farben und nem Stromlaufplan erkennen.
Re: Probleme beim Umbau HILFE BENÖTIGT
Verfasst: 4. Jan 2014, 17:31
von kompressormichel
Kann man natürlich erkennen
Aber die meisten stecken alles was passt zusammen, und dann....
Darum nur als Anmerkung da es sein könnte.
Gruß Michael
Re: Probleme beim Umbau HILFE BENÖTIGT
Verfasst: 4. Jan 2014, 17:35
von R.e.d.Devil
So, ich war eben nochmal an der Halle zur Ursachenforschung,
also, am lichterkabelbaum befindet sich ein grünes Kabel mit Stecker( aus richtung Innenraum kommen 2 grüne Kabel, sind aber dann im Baum zu einem zusammengeführt), der einzige der nicht "vergeben" ist. Jedoch ist der Stecker mit Tape Fixiert ( was dafür spricht das er vorher nicht in benutzung war) auch der anschluss des Steckers ist "Männlich" genau wie die Stecker an der Spule. Ein zweiter Stecker ist nicht aufzufinden.
Jetzt habe ich mir mal den Ursprünglichen Kabelbaum vom Corsa (1.2i) angeschaut und habe die Stecker die ich bräuchte gefunden ( am Lichterkabelbaum -braun und schwarz). Nur nützt mir das ja nichts....was mich halt wundert ist das der Motor mit dem jetzigen Baum vorher im Schlachtfahrzeug einwandfrei lief.
Und hat jemand Ahnung wohin dieser Schlauch kommen soll? Sieht so aus als würde der in den Innenraum gehen weil da am Schlauch son Gummistopfen ist, aber ich kann mir das nicht vorstellen:
Gruss Dirk
Re: Probleme beim Umbau HILFE BENÖTIGT
Verfasst: 4. Jan 2014, 17:42
von R.e.d.Devil
kompressormichel hat geschrieben:Was evtl. noch sein kann ,
ist das du den Stecker vom Drosselklappenschalter
mit dem des Kurbelwellensensors vertauscht hast.
Passiert auch öffters

.
Mach mal ein Bild wo die jeweiligen Kupplungen aus dem Kabelbaum kommen.
Gruß Michael
gruss zurück Dirk
Re: Probleme beim Umbau HILFE BENÖTIGT **Fehlersuche**
Verfasst: 4. Jan 2014, 18:31
von kompressormichel
Der Schlauch geht zum Aktivkohlefilter würd ich mal so sagen.
Und die Stecker scheinen falschrum zu sein.
Ist zwar echt schwer zu sehen auf dem Bild,aber da da einige Kabel rausschauen,
kontrolliere das mal.
Der Poti sollte die Kabelfarben braun/grün - gelb/rot - grün/blau haben.
Der Kurbelwellensensor braun - blau/gelb - blau/grün
Gruß aus Aachen
Re: Probleme beim Umbau HILFE BENÖTIGT **Fehlersuche**
Verfasst: 4. Jan 2014, 18:57
von R.e.d.Devil
ja, das werden wir beim nächsten mal im auge behalten, aber das ist ja "nur kabeltausch" eher das kleinste problem das wir momentan noch haben, aber dank dir
gruss aus Düren
Re: Probleme beim Umbau HILFE BENÖTIGT **Fehlersuche**
Verfasst: 4. Jan 2014, 19:27
von Downbeat
Wenn es dir immer noch um die Zündspule geht, auf den Anschluss an der Zündspule über dem wo du Kl 15 aufgesteckt hast muss auch 15 drauf wenn mir nicht irrt.
Edit:
Hab grad gesehen, dass denniskadett schon den passenden Thread verlinkt hat, wollte ich auch grad machen.
Wie hast du denn die Spritpumpe verkabelt?
Re: Probleme beim Umbau HILFE BENÖTIGT **Fehlersuche**
Verfasst: 4. Jan 2014, 20:09
von R.e.d.Devil
Ich glaube das ist momentan das Hauptproblem mit der zündspule

Re: Probleme beim Umbau HILFE BENÖTIGT **Fehlersuche**
Verfasst: 4. Jan 2014, 20:12
von Downbeat
In dem Thread von Smith ist auf der ersten Seite ein Bild, da sieht man eigentlich alles von der Spule.
Re: Probleme beim Umbau HILFE BENÖTIGT **Fehlersuche**
Verfasst: 4. Jan 2014, 20:24
von R.e.d.Devil
...ja, und genau die beiden unteren Kabel fehlen mir...das ist das Problem denke ich warum nix funktioniert
Re: Probleme beim Umbau HILFE BENÖTIGT **Fehlersuche**
Verfasst: 4. Jan 2014, 21:05
von Downbeat
Steck links unten einfach auch Kl15 drauf. Unten rechts sollte das grüne Kabel aus deinem Lichtkabelbaum draufkommen, is für Drehzahlmesser.
Re: Probleme beim Umbau HILFE BENÖTIGT **Fehlersuche**
Verfasst: 4. Jan 2014, 21:27
von R.e.d.Devil
Re: Probleme beim Umbau HILFE BENÖTIGT **Fehlersuche**
Verfasst: 5. Jan 2014, 13:33
von AsciFan
gibts nicht du mußt dir vorstellen bei einer Zündanlage dient die KL1 (grünes kabel) als Masse. Hört sich merkwürdig an ist aber so
http://www.senatorman.de/zuendanlage.htm
MFG
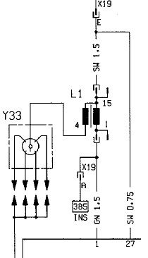
Re: Probleme beim Umbau HILFE BENÖTIGT **Fehlersuche**
Verfasst: 5. Jan 2014, 13:51
von Downbeat
Wie AsciFan schreibt. Hast du für deinen Motor einen Stromlaufplan? Da sieht man auch was dran sein muss.

- zündung_c16sei.jpg (18.16 KiB) 21564 mal betrachtet
Apropos, du hast meine Frage bezüglich der Verkabelung Spritpumpe noch nicht beantwortet.